Проект дома из СИП‑панелей 88 м² — идеальное решение для небольшой семьи из 4 человек, ценящей функциональность, уют и наличие дополнительного пространства для отдыха. Двухэтажный дом из СИП‑панелей с продуманной планировкой, включающей кухню-столовую, 3 спальни, санузел, тамбур, ванную комнату, гардеробную, крыльцо и балкон, обеспечивает превосходную теплоизоляцию и комфорт круглый год при минимальных затратах на отопление.
Технология SIP‑панелей позволяет возвести дом в 3–4 раза быстрее кирпичного, при этом конструкция остаётся лёгкой, но чрезвычайно прочной. Панели обеспечивают теплоизоляцию, превышающую показатель традиционного каркаса в 2 раза. Проект полностью готов к строительству: архитектурная и конструктивная документация, смета материалов, 3D-визуализация включены в комплект. PDF-файлы доступны сразу после оплаты — можно передать подрядчику и начать работу уже через неделю.
Используемые СИП-панели толщиной 174 мм по теплоизоляционным характеристикам сравнимы с кирпичной стеной толщиной около 2 метров. Это означает, что подобная изоляция значительно снижает теплопотери, позволяя уменьшить расходы на отопление в 3–4 раза по сравнению с традиционными стеновыми материалами. Благодаря низкой теплопроводности, внутри дома поддерживается стабильный микроклимат: зимой тепло, а летом — прохлада, что исключает необходимость использования кондиционеров и дополнительных систем охлаждения. Такой эффект особенно важен в регионах с суровыми зимами или жарким летом.
2.Быстрое строительство
Каркас из СИП-панелей можно возвести всего за 2–4 недели, поскольку все элементы поставляются полностью подготовленными и собранными. Панели не требуют дополнительных работ по подгонке, обработке или долгой подготовке на площадке, что ускоряет весь монтажный процесс. После начала работ уже через 1–2 месяца дом полностью готов к заселению, включая все инженерные сети и внутреннюю отделку. В сравнении с классическими способами — например, кирпичной или газобетонной — такой подход позволяет сократить сроки строительства в 5–6 раз.
3.Легкость конструкции и снижение затрат на фундамент
Дом из СИП-панелей весит в 3–4 раза меньше кирпичного аналогичного строения, что позволяет использовать облегченные типы фундаментов: свайно-винтовой, мелкозаглубленный ленточный или УШП. Это сокращает затраты на земляные работы, материалы и монтаж фундамента на 30–40%. Низкий вес конструкции также дает возможность возводить дома на сложных грунтах — склонах, участках с высоким уровнем грунтовых вод или слабых почвах, без опасения за устойчивость. Такая легкая и прочная конструкция предоставляет большую гибкость при выборе участка, минимизирует необходимость в дорогостоящих подготовительных работ.
4.Прочность и долговечность
СИП-панели обладают высокой несущей способностью — вертикальные нагрузки до 10 тонн на м², горизонтальные — до 2 тонн на м². Это гарантирует устойчивость дома даже при экстремальных погодных условиях. Дом из таких панелей устойчив к землетрясениям силой до 7 баллов и может служить без существенных утрат свойств до 80 лет. Материалы не дают усадки, не трескаются со временем и не деформируются под воздействием влаги, перепадов температуры или воздействия окружающей среды.
5.Экологичность и безопасность
Все компоненты, используемые в производстве СИП-панелей — OSB-3 и пенополистирол ПСБ-С25Ф — прошли сертификацию в области экологической и пожарной безопасности. Они не выделяют вредных веществ и устойчивы к гниению, появлению плесени или грибка, даже в условиях повышенной влажности. Это создает внутри помещений здоровый микроклимат, что особенно важно для семей с детьми и людей с аллергией. Такие дома подходят для круглогодичного проживания, сочетая комфорт, безопасность и заботу о здоровье и благополучии жильцов.
Проект идеально подходит для небольших семей или пар, которым требуется комфортное, но компактное жилье. 3 спальни, кухня-столовая создают оптимальные условия для жизни. Наличие балкона добавляет пространству функциональности и места для отдыха.
Ценители разумной экономии и энергоэффективности
Этот проект — отличный выбор для тех, кто хочет минимизировать расходы на строительство и последующую эксплуатацию. Низкая стоимость СИП-панелей, быстрая сборка и экономичный фундамент сокращают первоначальные затраты. Высокая энергоэффективность дома обеспечивает значительную экономию на отоплении.
Владельцы небольших или сложных участков
Благодаря компактным размерам и легкости конструкции, дом отлично подходит для небольших участков или участков со сложным рельефом. Использование легкого фундамента, такого как свайный, упрощает строительство и сокращает расходы.
Инвесторы, ориентированные на быстрый оборот
Для инвесторов, которые стремятся к быстрому возврату вложений, этот проект является выгодным. Короткие сроки строительства позволяют оперативно ввести объект в эксплуатацию, а привлекательная цена и современные технологии делают его востребованным на рынке.
Люди, ценящие своё время и практичность
Если вы хотите построить дом за один строительный сезон, наш проект— это то, что вам нужно. Современные технологии и материалы обеспечивают высокое качество и скорость возведения.
Да, проект адаптируется под пожелания и особенности участка. Мы можем изменить расположение перегородок, добавить или убрать помещения, изменить конфигурацию кровли.
Подходит ли проект для ипотеки?
Да, проект полностью готов для оформления ипотечного кредита. Все необходимые чертежи и спецификации соответствуют требованиям банков.
Можно ли адаптировать под другой фундамент?
Да, проект легко адаптируется. Для домов из СИП-панелей подходят свайно-винтовой, мелкозаглубленный ленточный, УШП и плитный фундаменты.
Подходит ли дом из СИП-панелей для постоянного проживания?
Да, это теплый капитальный дом для круглогодичного проживания. СИП-панели обеспечивают превосходную теплоизоляцию — такой дом теплее кирпичного и требует минимальных затрат на отопление.
Как быстро можно построить дом по этому проекту?
Коробка дома из СИП-панелей возводится за 2-4 недели. Под ключ с отделкой и коммуникациями — за 2-4 месяца в зависимости от сложности.
Нужна ли дополнительная теплоизоляция стен?
Нет, СИП-панели толщиной 174 мм имеют сопротивление теплопередаче R=4.4 м²·°C/Вт, что превышает требования СНиП для большинства регионов России. Дополнительное утепление не требуется.
🏡 КУПИТЬ ПРОЕКТ
Мгновенная доставка PDF на почту сразу после оплаты
После оплаты вы получите на электронную почту архив со всеми файлами проекта: планы, разрезы, фасады, визуализация, количество материала. Можно сразу показать подрядчику, считать материалы и начать строить.
Доступные способы оплаты:
Есть вопросы? Какой фундамент подойдет вашему участку? Можно ли изменить лофт? Напишите — ответим в течение часа.
📥 СКАЧАТЬ БЕСПЛАТНЫЙ ОБРАЗЕЦ
Скачайте 5–7 страниц из проекта: план первого этажа, фасад и один разрез. Так вы сразу поймете формат документации и качество работы.
☎ЗАКАЗАТЬ ОБРАТНЫЙ ЗВОНОК
Предпочитаете говорить по телефону? Оставьте номер — менеджер перезвонит в удобное время.
Контакты:
📧 Email: sale@projectalfa.ru
📱 Телефон: +7 (951) 796-2000
🌐 Сайт: projectalfa.ru
Технология SIP‑панелей позволяет возвести дом в 3–4 раза быстрее кирпичного, при этом конструкция остаётся лёгкой, но чрезвычайно прочной. Панели обеспечивают теплоизоляцию, превышающую показатель традиционного каркаса в 2 раза. Проект полностью готов к строительству: архитектурная и конструктивная документация, смета материалов, 3D-визуализация включены в комплект. PDF-файлы доступны сразу после оплаты — можно передать подрядчику и начать работу уже через неделю.
Характеристики проекта
| Характеристика | Значение |
| Площадь дома | 88 м² |
| Спален | 3 |
| Этажей | 2 |
| Балкон | 1 |
| Конструкция | Дом из СИП‑панелей (SIP) |
| Фундамент | Свайный |
| Материал несущих стен | СИП‑панели толщиной 174 мм |
| Перекрытия | СИП‑панели толщиной 174 мм |
| Кровля | Двускатная |
| Формат доставки | PDF (электронный) или печать |
Что входит в комплект проекта
- Эскизная часть (ЭП планы): полы, фасады, разрезы, визуализация
- Конструктивная часть: чертежи монтажа СИП-панелей, схемы перекрытий, кровли, узлы соединения панелей, обвязки, фундамента
- Смета материалов: полный расчет СИП-панелей, пиломатериалов
- Фундамент: расчет фундамента под легкую подсветку из СИП-панелей, схема монтажа свайного поля
- Спецификация SIP-панелей: размеры и количество панели для стен, перекрытий, кровли
Готовые документы:
- Разрешение на строительство
- Оформление ипотеки
- Производство самостоятельно или с подрядчиком
- Регистрация дома в собственности.
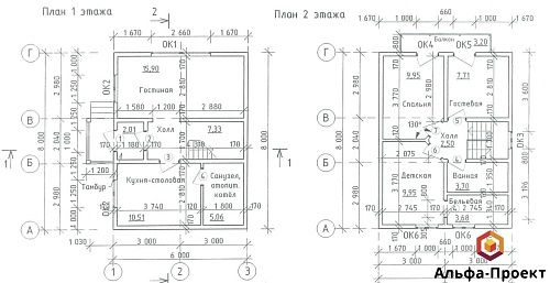
Планировка
1 этаж- Кухня-столовая
- Гостиная
- Санузел
- Холл
- Тамбур
- Крыльцо
- 3 спальни
- Ванная комната
- Гардероб
Преимущества проекта
1.Высокая энергоэффективность и экономияИспользуемые СИП-панели толщиной 174 мм по теплоизоляционным характеристикам сравнимы с кирпичной стеной толщиной около 2 метров. Это означает, что подобная изоляция значительно снижает теплопотери, позволяя уменьшить расходы на отопление в 3–4 раза по сравнению с традиционными стеновыми материалами. Благодаря низкой теплопроводности, внутри дома поддерживается стабильный микроклимат: зимой тепло, а летом — прохлада, что исключает необходимость использования кондиционеров и дополнительных систем охлаждения. Такой эффект особенно важен в регионах с суровыми зимами или жарким летом.
2.Быстрое строительство
Каркас из СИП-панелей можно возвести всего за 2–4 недели, поскольку все элементы поставляются полностью подготовленными и собранными. Панели не требуют дополнительных работ по подгонке, обработке или долгой подготовке на площадке, что ускоряет весь монтажный процесс. После начала работ уже через 1–2 месяца дом полностью готов к заселению, включая все инженерные сети и внутреннюю отделку. В сравнении с классическими способами — например, кирпичной или газобетонной — такой подход позволяет сократить сроки строительства в 5–6 раз.
3.Легкость конструкции и снижение затрат на фундамент
Дом из СИП-панелей весит в 3–4 раза меньше кирпичного аналогичного строения, что позволяет использовать облегченные типы фундаментов: свайно-винтовой, мелкозаглубленный ленточный или УШП. Это сокращает затраты на земляные работы, материалы и монтаж фундамента на 30–40%. Низкий вес конструкции также дает возможность возводить дома на сложных грунтах — склонах, участках с высоким уровнем грунтовых вод или слабых почвах, без опасения за устойчивость. Такая легкая и прочная конструкция предоставляет большую гибкость при выборе участка, минимизирует необходимость в дорогостоящих подготовительных работ.
4.Прочность и долговечность
СИП-панели обладают высокой несущей способностью — вертикальные нагрузки до 10 тонн на м², горизонтальные — до 2 тонн на м². Это гарантирует устойчивость дома даже при экстремальных погодных условиях. Дом из таких панелей устойчив к землетрясениям силой до 7 баллов и может служить без существенных утрат свойств до 80 лет. Материалы не дают усадки, не трескаются со временем и не деформируются под воздействием влаги, перепадов температуры или воздействия окружающей среды.
5.Экологичность и безопасность
Все компоненты, используемые в производстве СИП-панелей — OSB-3 и пенополистирол ПСБ-С25Ф — прошли сертификацию в области экологической и пожарной безопасности. Они не выделяют вредных веществ и устойчивы к гниению, появлению плесени или грибка, даже в условиях повышенной влажности. Это создает внутри помещений здоровый микроклимат, что особенно важно для семей с детьми и людей с аллергией. Такие дома подходят для круглогодичного проживания, сочетая комфорт, безопасность и заботу о здоровье и благополучии жильцов.
Для кого подходит
Молодые семьи и пары, ищущие уютное и функциональное жильеПроект идеально подходит для небольших семей или пар, которым требуется комфортное, но компактное жилье. 3 спальни, кухня-столовая создают оптимальные условия для жизни. Наличие балкона добавляет пространству функциональности и места для отдыха.
Ценители разумной экономии и энергоэффективности
Этот проект — отличный выбор для тех, кто хочет минимизировать расходы на строительство и последующую эксплуатацию. Низкая стоимость СИП-панелей, быстрая сборка и экономичный фундамент сокращают первоначальные затраты. Высокая энергоэффективность дома обеспечивает значительную экономию на отоплении.
Владельцы небольших или сложных участков
Благодаря компактным размерам и легкости конструкции, дом отлично подходит для небольших участков или участков со сложным рельефом. Использование легкого фундамента, такого как свайный, упрощает строительство и сокращает расходы.
Инвесторы, ориентированные на быстрый оборот
Для инвесторов, которые стремятся к быстрому возврату вложений, этот проект является выгодным. Короткие сроки строительства позволяют оперативно ввести объект в эксплуатацию, а привлекательная цена и современные технологии делают его востребованным на рынке.
Люди, ценящие своё время и практичность
Если вы хотите построить дом за один строительный сезон, наш проект— это то, что вам нужно. Современные технологии и материалы обеспечивают высокое качество и скорость возведения.
Материалы и конструкции
- Несущие стены: СИП-панели 174 мм (OSB-3 + пенополистирол ПСБ-С25Ф)
- Перегородки: каркасные с комплектацией минеральной ватой
- Перекрытия: СИП-панели 174 мм
- Кровля: СИП-панели 174 мм
- Фундамент: свайный
Вопросы и ответы:
Можно ли изменить планировку?Да, проект адаптируется под пожелания и особенности участка. Мы можем изменить расположение перегородок, добавить или убрать помещения, изменить конфигурацию кровли.
Подходит ли проект для ипотеки?
Да, проект полностью готов для оформления ипотечного кредита. Все необходимые чертежи и спецификации соответствуют требованиям банков.
Можно ли адаптировать под другой фундамент?
Да, проект легко адаптируется. Для домов из СИП-панелей подходят свайно-винтовой, мелкозаглубленный ленточный, УШП и плитный фундаменты.
Подходит ли дом из СИП-панелей для постоянного проживания?
Да, это теплый капитальный дом для круглогодичного проживания. СИП-панели обеспечивают превосходную теплоизоляцию — такой дом теплее кирпичного и требует минимальных затрат на отопление.
Как быстро можно построить дом по этому проекту?
Коробка дома из СИП-панелей возводится за 2-4 недели. Под ключ с отделкой и коммуникациями — за 2-4 месяца в зависимости от сложности.
Нужна ли дополнительная теплоизоляция стен?
Нет, СИП-панели толщиной 174 мм имеют сопротивление теплопередаче R=4.4 м²·°C/Вт, что превышает требования СНиП для большинства регионов России. Дополнительное утепление не требуется.
🏡 КУПИТЬ ПРОЕКТ
Мгновенная доставка PDF на почту сразу после оплаты
После оплаты вы получите на электронную почту архив со всеми файлами проекта: планы, разрезы, фасады, визуализация, количество материала. Можно сразу показать подрядчику, считать материалы и начать строить.
Доступные способы оплаты:
- Карта (Visa, MasterCard, МИР)
- Рассрочка "Долями", "Сплит"
- Банковский перевод
- Печать и доставка по России (доп. платеж)
Есть вопросы? Какой фундамент подойдет вашему участку? Можно ли изменить лофт? Напишите — ответим в течение часа.
📥 СКАЧАТЬ БЕСПЛАТНЫЙ ОБРАЗЕЦ
Скачайте 5–7 страниц из проекта: план первого этажа, фасад и один разрез. Так вы сразу поймете формат документации и качество работы.
☎ЗАКАЗАТЬ ОБРАТНЫЙ ЗВОНОК
Предпочитаете говорить по телефону? Оставьте номер — менеджер перезвонит в удобное время.
Контакты:
📧 Email: sale@projectalfa.ru
📱 Телефон: +7 (951) 796-2000
🌐 Сайт: projectalfa.ru





















